Импульсное зарядное устройство своими руками: инструкция и схемы

Зарядные устройства являются неотъемлемой частью нашей повседневной жизни. Они используются для зарядки телефонов, планшетов, ноутбуков и других устройств. Однако, не всегда у нас под рукой есть зарядное устройство, а сам процесс зарядки занимает достаточно много времени.
В этом случае импульсное зарядное устройство может стать идеальным решением проблемы. Оно позволяет заряжать устройства гораздо быстрее, чем обычные зарядки, а кроме того, качественно и надежно защищает их от перегрузок и коротких замыканий.
Если вы заинтересованы в создании импульсного зарядного устройства своими руками, то наша инструкция и схемы помогут вам в этом. Мы подробно расскажем, как собрать устройство, какие детали и компоненты необходимы, а также дадим полезные советы по его использованию.
Создание своего собственного зарядного устройства – это не только интересный опыт, но и возможность сэкономить деньги на покупке готового изделия. А благодаря нашей инструкции и схемам, этот процесс станет еще более удобным и простым.
Как сделать импульсное зарядное устройство своими руками
Импульсное зарядное устройство — это устройство, которое позволяет быстро и эффективно заряжать различные типы аккумуляторов. Такое устройство можно сделать своими руками, для этого нужно воспользоваться соответствующей схемой и инструкцией.
Сначала нужно определиться с типом заряжаемых аккумуляторов и выбрать подходящую схему для вашего устройства. Затем необходимо приобрести все необходимые компоненты, в том числе трансформатор, диоды, конденсаторы, резисторы и микросхемы. После этого можно приступать к сборке импульсного зарядного устройства.
Важно соблюдать все комбинации цветов проводов и напряжение, указанные в схеме. Следует также аккуратно выполнять все соединения, прежде чем подключать устройство к источнику питания. Не забывайте использовать мультиметр для проверки напряжения и тока на различных этапах сборки устройства.
Импульсное зарядное устройство, сделанное своими руками, может быть не только более экономичным, но и более продуктивным, чем многие фабричные модели. Важно только запастись терпением и внимательностью и не бояться экспериментировать!
Раздел 1: Основные принципы работы
Импульсное зарядное устройство работает на основе электрических импульсов, которые формируются специальным устройством – инвертором. Основной принцип работы заключается в том, что с помощью электронного устройства для формирования импульсов, напряжение постоянного тока преобразуется в переменное, и через трансформатор увеличивается до необходимого уровня.
Импульсное зарядное устройство часто используется для зарядки аккумуляторных батарей. Оно обладает рядом преимуществ перед традиционными зарядными устройствами, так как позволяет заряжать аккумулятор более быстро, а также имеет функцию микропроцессорной защиты от перезарядки, что позволяет продлить срок службы батареи.
Одним из важных компонентов импульсного зарядного устройства является контроллер зарядки, который управляет процессом зарядки батареи, контролируя напряжение и ток зарядки, а также временные интервалы и периоды пауз.
Кроме того, импульсное зарядное устройство может быть оснащено функцией автоматического переключения режима зарядки в зависимости от типа батареи. Некоторые модели могут автоматически переключаться с режима зарядки на режим поддержки заряда, что позволяет сохранять заряд батареи на оптимальном уровне.
- Ключевыми принципами работы импульсного зарядного устройства являются:
- Формирование электрических импульсов через специальный инвертор.
- Преобразование напряжения постоянного тока в переменное.
- Увеличение напряжения до необходимого уровня через трансформатор.
- Контроль напряжения и тока зарядки с помощью контроллера зарядки.
- Автоматическое переключение режимов зарядки в зависимости от типа батареи.
Благодаря простой конструкции и высокой эффективности зарядки, импульсное зарядное устройство может быть самостоятельно собрано и настроено даже теми, кто не имеет специального образования в области электроники и электротехники. С помощью инструкции и схемы, представленной в данном материале, вы сможете создать свое собственное импульсное зарядное устройство для различных типов батарей.
Подраздел 1:1 — Что такое импульсное зарядное устройство и как оно работает
Импульсное зарядное устройство — это устройство, которое позволяет заряжать аккумуляторные батареи быстрее и безопаснее, чем традиционные зарядные устройства.
Основной принцип работы импульсного зарядного устройства заключается в том, что оно генерирует серию коротких импульсов заряда и отдыха. Это означает, что устройство заряжает аккумулятор не непрерывно, а в форме импульсов, что позволяет уменьшить время зарядки.
В процессе зарядки, импульсное зарядное устройство также следит за состоянием аккумулятора и автоматически переключается на режим поддержания заряда, когда батарея полностью заряжена. Это позволяет снизить вероятность перезарядки и перегрева аккумулятора, что может привести к его повреждению.
Импульсное зарядное устройство также имеет много других преимуществ, включая возможность зарядки различных типов аккумуляторов, включая свинцово-кислотные, литий-ионные и никель-кадмиевые батареи. Также в большинстве случаев такие устройства имеют режим быстрой зарядки, что позволяет в несколько раз сократить время зарядки аккумулятора.
В целом, импульсное зарядное устройство представляет собой эффективное и удобное устройство для зарядки аккумуляторных батарей. Более того, они достаточно просты в изготовлении, и может быть сделаны своими руками.
Подраздел 1:2 — Основные компоненты импульсного зарядного устройства
Импульсное зарядное устройство может содержать несколько основных компонентов:
- Трансформатор — используется для преобразования сетевого напряжения в высокочастотное, которое затем выпрямляется и выпрямленное напряжение используется для зарядки аккумулятора. Трансформаторы могут иметь различное количество обмоток, что влияет на конечное напряжение и ток зарядки.
- Выпрямительный мост — используется для преобразования переменного напряжения в постоянное. Он может состоять из четырех выпрямительных диодов или использовать специальные компоненты, такие как тиристоры, для более эффективной зарядки.
- Конденсатор — используется для сглаживания пульсаций напряжения на выходе выпрямительного моста. Это позволяет получить более стабильный и постоянный ток зарядки.
- Контроллер зарядки — используется для контроля напряжения и тока зарядки. Он может также предоставлять информацию о состоянии заряда аккумулятора и управлять процессом зарядки для обеспечения наилучшей производительности и максимального времени работы аккумулятора.
Кроме того, импульсное зарядное устройство может содержать дополнительные компоненты, такие как предохранители, светодиодные индикаторы состояния заряда и вентиляторы для оптимизации теплопередачи.
Раздел 2: Изготовление импульсного зарядного устройства
Перед тем, как приступить к изготовлению импульсного зарядного устройства, необходимо подготовить все необходимые компоненты и инструменты. Для создания устройства понадобятся:
- Платы для монтажа электронных компонентов
- Электронные компоненты (транзисторы, диоды, конденсаторы и пр.)
- Клеммники для подключения к источнику питания и заряжаемому устройству
- Паяльник и паяльная проволока
- Мультиметр для проверки подключения компонентов
Перед началом монтажа необходимо внимательно изучить схему зарядного устройства и определить порядок подключения компонентов. Монтаж производится на плате, для которой нужно определить расположение каждого элемента схемы.
Далее следует приступить к подключению компонентов на плате. Важно соблюдать правильную полярность и направление подключения каждого элемента, чтобы избежать потенциальных ошибок. После монтажа необходимо провести проверку на правильность подключения с помощью мультиметра.
Завершающим этапом является монтаж клеммников для подключения к источнику питания и заряжаемому устройству. Финальное устройство готово к использованию!
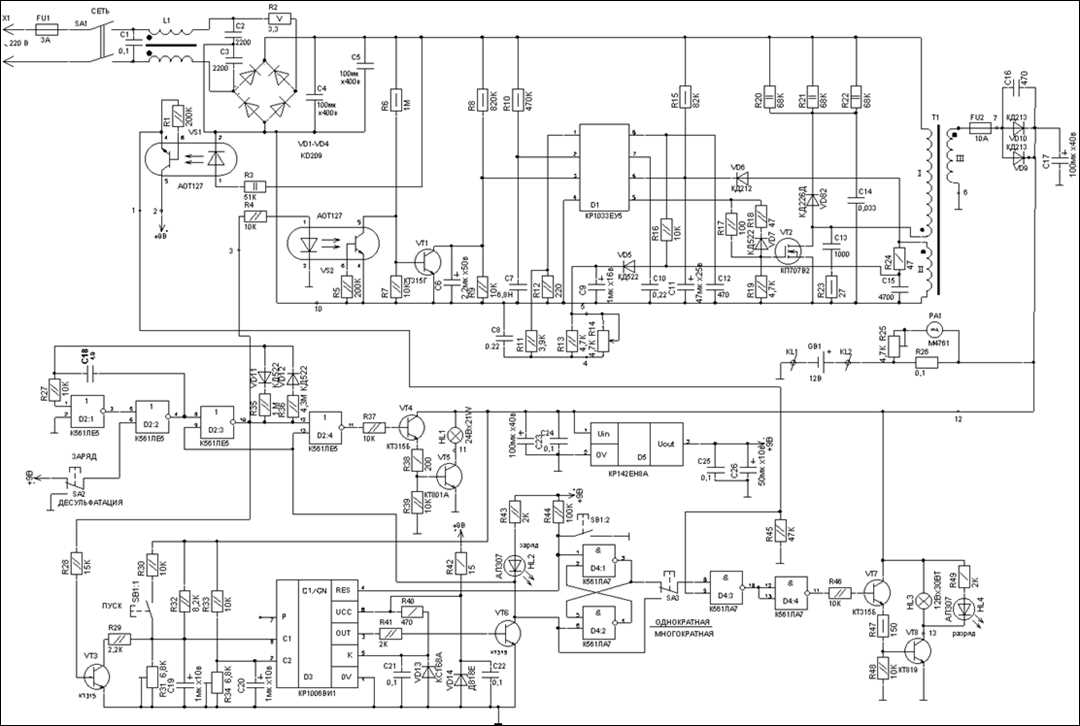
Подраздел 2:1 — Схема и распиновка импульсного зарядного устройства
Схема импульсного зарядного устройства:
Импульсное зарядное устройство включает в себя несколько ключевых компонентов: транзистор, диод, конденсатор, трансформатор и резистор. В компонентной схеме транзистор является ключом, который управляет зарядом батареи. Резистор используется для контроля тока зарядки, а диод работает как защита от обратного тока.
Распиновка импульсного зарядного устройства:
У модула зарядного устройства есть несколько контактов, которые варьируются в зависимости от модели. Обычно к ним относятся контакты входного питания, контакты батареи и контакты выходного напряжения. Необходимо следовать инструкции производителя по расположению конкретных контактов.
Таблица с распиновкой наиболее распространенных импульсных зарядных устройств:
| Модель устройства | Контакты входного питания | Контакты батареи | Контакты выходного напряжения |
|---|---|---|---|
| IPU-100 | 1, 2 | 3, 4 | 5, 6 |
| IPU-200 | 1, 2 | 3, 4 | 5, 6 |
| IPU-300 | 1, 2 | 3, 4 | 5, 6 |
Как видно из таблицы, устройства имеют похожую распиновку и обычно содержат 6 контактов: 2 контакта входного питания, 2 контакта батареи и 2 контакта выходного напряжения.
Подраздел 2:2 — Описания компонентов и материалов

Конденсаторы: Они часто используются в импульсных зарядных устройствах для гладкости тока. Конденсаторы делятся на два типа: электролитические и керамические. Электролитические конденсаторы используются для более крупных емкостей, в то время как керамические конденсаторы используются для меньших емкостей.
Диоды: В импульсных зарядных устройствах диоды предотвращают обратный поток тока. Они обычно смонтированы вместе с конденсаторами на плате, так что их можно заменить, если они выходят из строя.
Транзисторы: Транзисторы используются для управления током, который идет в конденсатор. Они обычно смонтированы на плате, но можно купить их в виде отдельных компонентов.
Резисторы: Резисторы используются для контроля тока в цепи. Они могут быть фиксированными или изменяемыми, и они обычно имеют определенный диапазон сопротивления.
Трансформаторы: Они используются, чтобы изменить напряжение в цепи. Трансформаторы могут иметь различные токовые характеристики, и они могут быть достаточно большими в размере.
Дополнительные компоненты: Кроме вышеперечисленных компонентов, иногда в проекте могут использоваться адаптеры постоянного тока, сигнальные светодиоды, кнопки, предохранители и другие компоненты по желанию.
Материалы: Для изготовления импульсного зарядного устройства вам понадобятся: плата, паяльник, припой, провода, термоусадочные трубки, изоляционный скотч и другие инструменты и материалы для электроники.
Раздел 3: Подключение импульсного зарядного устройства
Перед началом подключения импульсного зарядного устройства к аккумулятору, необходимо убедиться в том, что устройство соответствует характеристикам аккумулятора.
В первую очередь следует выключить автомобиль и отсоединить от аккумулятора все клеммы, предварительно замкнув их друг на друга. Важно помнить, что первым следует отсоединять клемму «минус», а затем – «плюс».
После этого можно приступить к подключению импульсного зарядного устройства. Подключается оно следующим образом: один зажим устройства подсоединяется к клемме «плюс» аккумулятора, а второй – к клемме «минус». После этого следует включить устройство.
Во время работы зарядного устройства не стоит оставлять его без присмотра на длительное время. Также необходимо следить за состоянием аккумулятора и в случае его перегрева, немедленно остановить работу устройства.
По окончании зарядки необходимо сначала отключить устройство, а затем отсоединить от аккумулятора провода, при этом сначала отсоединяя клемму «плюс», а затем – «минус».
Подраздел 3:1 — Подключение к аккумулятору
Для правильной работы импульсного зарядного устройства необходимо соблюдать определенные правила при подключении к аккумулятору. В первую очередь, необходимо обратить внимание на полярность подключения. Обычно на аккумуляторе имеются два контакта — положительный (+) и отрицательный (-).
Перед подключением устройства к аккумулятору необходимо убедиться, что полярность подключения соответствует требуемой. При несоответствии полярности работа зарядного устройства может быть нарушена, что может привести к неисправности устройства и даже к возгоранию аккумулятора.
Для подключения к аккумулятору необходимо использовать провода определенной толщины с соответствующими разъемами. Провода должны быть достаточно тонкими, чтобы не создавать дополнительного сопротивления в цепи зарядки, но при этом достаточно прочными, чтобы выдерживать высокий ток зарядки.
При подключении к аккумулятору необходимо соблюдать определенную последовательность действий. Сначала необходимо подключить провод от положительного (+) клеммы аккумулятора к соответствующему разъему зарядного устройства. Затем следует подключить провод от отрицательной (-) клеммы аккумулятора к соответствующему разъему зарядного устройства. При этом необходимо обеспечить надежное и качественное соединение проводов с разъемами.
Раздел 4: Преимущества импульсного зарядного устройства
1. Более быстрая зарядка
Импульсное зарядное устройство обычно заряжает батарею быстрее, чем обычное зарядное устройство. Это связано с тем, что оно может работать с более высокими токами заряда, не повреждая батарею.
2. Увеличенный срок службы батареи
Импульсное зарядное устройство может помочь увеличить срок службы батареи. Оно способно заряжать батарею без перегрева, что уменьшает износ и повышает ёмкость батареи. Также, импульсное зарядное устройство может восстанавливать сухую или неработающую батарею.
3. Безопасность
Импульсное зарядное устройство обычно более безопасно, чем обычное зарядное устройство. Оно контролирует ток, напряжение и температуру, защищая батарею от повреждений и предотвращая возможные аварии.
4. Экономия электроэнергии
Импульсное зарядное устройство потребляет меньше электрической энергии, чем обычное зарядное устройство. Это связано с более эффективной работой преобразователя напряжения в импульсном зарядном устройстве.
5. Удобство использования
Импульсное зарядное устройство обычно более компактное и легкое, чем обычное зарядное устройство. Оно часто обладает более широким диапазоном входных напряжений, что делает его удобным для использования в различных условиях.
Подраздел 4:1 — Повышение эффективности и продолжительности работы аккумулятора
Для того, чтобы увеличить эффективность и продолжительность работы аккумулятора, необходимо соблюдать несколько простых правил:
- Не допускать полного разряда аккумулятора — это может привести к его повреждению и уменьшению срока службы.
- Рекомендуется заряжать аккумулятор сразу после использования, не дожидаясь полного разряда.
- Для зарядки аккумулятора лучше использовать зарядное устройство с плавным зарядом, которое не перегружает батарею и позволяет поддерживать ее в рабочем состоянии.
- При работе с аккумулятором следует избегать его перегрева — это может привести к быстрому износу и потере емкости батареи.
Также можно увеличить продолжительность работы аккумулятора за счет правильного выбора типа батареи: некоторые типы аккумуляторов, например, Li-Ion, характеризуются более длительным временем работы и меньшим износом. Кроме того, можно использовать ряд дополнительных устройств, например, солнечные панели или портативные зарядные устройства, которые позволят поддерживать батарею в рабочем состоянии в любых условиях.
| Тип аккумулятора | Преимущества | Недостатки |
| Li-Ion | Длительное время работы, низкий уровень саморазряда, малый вес и размеры | Высокая стоимость, чувствительность к перегреву, требуется специальное зарядное устройство |
| Ni-MH | Невысокая стоимость, низкий уровень саморазряда, возможность зарядки от сети и от автомобильного прикуривателя | Большие размеры и вес, меньшее время работы по сравнению с Li-Ion, необходимость перезарядки после длительного хранения |
| Ni-Cd | Невысокая стоимость, возможность использования в экстремальных условиях (низкие и высокие температуры, высокая влажность) | Большой уровень саморазряда, меньшее время работы, наличие эффекта памяти, высокая токоотдача в моменты пика |
Выбирая оптимальный тип аккумулятора и следуя правилам эксплуатации, можно значительно увеличить продолжительность работы батареи и обеспечить более эффективное использование энергии.
Подраздел 4:2 — Снижение времени зарядки
Сокращение времени зарядки существенно повышает эффективность работы зарядного устройства.
- Использование более мощного источника питания может снизить время зарядки.
- Установка светодиодов с цветовым кодированием на корпусе зарядного устройства помогает определить полную зарядку аккумулятора, что сокращает время зарядки.
- Введение функции быстрой зарядки позволяет заряжать аккумулятор до 80% заряда в кратчайшие сроки.
Важно уследить за температурным режимом зарядного устройства в процессе быстрой зарядки, чтобы избежать перегрева и повреждения батареи.
Одним из эффективных способов снижения времени зарядки является использование контроллера зарядки с автоматическим регулированием тока и напряжения.
Также можно использовать функцию поддержки зарядки, которая поддерживает заряд аккумулятора на определенном уровне, что уменьшает время зарядки в последующих циклах.
Важно выбирать правильные параметры зарядки в зависимости от каждого конкретного типа батареи и её ёмкости.
Раздел 5: Рекомендации по безопасности

При работе с импульсным зарядным устройством необходимо соблюдать определенные меры безопасности, чтобы избежать возможных неприятностей.
Первое и самое важное правило – не допускайте попадания воды на устройство. Это может привести к порче электронных компонентов и к перегреванию зарядного устройства, что в свою очередь может привести к пожару.
Для того чтобы избежать порчи электронных компонентов, не рекомендуется заряжать батареи, которые находятся под напряжением. Перед началом зарядки необходимо убедиться, что все электрические контакты в порядке.
Если при работе с устройством вы ощутите запах горения, слышите странные звуки или устройство стало сильно греться – немедленно отключите зарядное устройство от сети. Не пытайтесь самостоятельно разобрать зарядное устройство или воспользоваться им дальше – обратитесь к специалисту.
Для того чтобы избежать короткого замыкания на клеммах зарядного устройства, необходимо подключать аккумуляторы правильно – сначала один положительный клемму на батарее, затем отрицательный клемму. При этом следует избегать касания клемм на батарее между собой.
И наконец, не используйте зарядное устройство в условиях высокой влажности, на открытом воздухе или вблизи легковоспламеняющихся жидкостей. Всегда держите детей и домашних питомцев подальше от зарядного устройства.
- Не допускайте попадания воды на устройство
- Не заряжайте батареи, которые находятся под напряжением
- Не пытайтесь самостоятельно разобрать зарядное устройство в случае проблем
- Подключайте аккумуляторы правильно
- Не используйте зарядное устройство в условиях высокой влажности, на открытом воздухе или вблизи легковоспламеняющихся жидкостей
Подраздел 5:1 — Как избежать перегрева аккумулятора
Перегрев аккумулятора – серьезная проблема, которая не только может уменьшить его срок службы, но и представляет угрозу для безопасности. Что можно сделать, чтобы избежать перегрева?
- Не излишне заряжайте аккумулятор – если зарядное устройство не умеет автоматически отключаться при достижении максимального уровня заряда, следите самостоятельно за процессом зарядки и отключайте устройство вовремя.
- Не храните и не используйте аккумулятор при слишком низких или высоких температурах – старайтесь не допускать того, чтобы аккумулятор находился на солнце или в близости от источников тепла (например, радиаторов). При использовании аккумулятора в зимнее время или при очень низкой температуре поместите его в утепленный чехол.
- Не допускайте глубокой разрядки аккумулятора – пытаться извлечь максимум из аккумулятора не всегда оправдано. Чем глубже разряд, тем больше вероятность, что при следующей зарядке произойдет перегрев. Старайтесь заряжать аккумулятор вовремя.
Соблюдение этих несложных правил поможет вам избежать перегрева аккумулятора, а также продлить срок его службы.
Вопрос-ответ:
Для чего нужно импульсное зарядное устройство?
Импульсное зарядное устройство позволяет заряжать различные типы аккумуляторов, увеличивает их надежность и срок службы, а также позволяет сэкономить деньги на замене батарей. Также оно может использоваться для восстановления сильно разряженных аккумуляторов.
Можно ли собрать импульсное зарядное устройство своими руками без опыта в электронике?
Сборка импульсного зарядного устройства может быть сложной для начинающих без опыта в электронике, но при наличии соответствующей схемы и инструкции возможно создать устройство самостоятельно. Однако, для безопасности, следует придерживаться всех рекомендаций и не пренебрегать мерами предосторожности.
Какие материалы и компоненты нужны для создания импульсного зарядного устройства?
Для сборки импульсного зарядного устройства понадобятся: трансформатор, диоды, конденсаторы, резисторы, транзисторы, ключи и преобразователь ШИМ. Список компонентов и конкретные параметры зависят от выбранной схемы и типа используемых аккумуляторов.
Как выбрать оптимальную схему для своего импульсного зарядного устройства?
Оптимальную схему для импульсного зарядного устройства можно выбрать, исходя из типа аккумуляторов, которые будут заряжаться. Необходимо учитывать разные характеристики аккумуляторов, такие как тип химической системы, емкость, напряжение, количество элементов и другие параметры, и выбирать схему в соответствии с ними.
Можно ли использовать одно импульсное зарядное устройство для разных типов аккумуляторов?
Да, возможно использовать одно импульсное зарядное устройство для зарядки разных типов аккумуляторов, если выбранная схема позволяет заряжать разные типы и емкости аккумуляторов. Однако, следует учитывать, что некоторые аккумуляторы требуют специального подхода к зарядке, и их не стоит заряжать импульсным зарядным устройством.
Как проверить работоспособность и эффективность импульсного зарядного устройства после его сборки?
После сборки импульсного зарядного устройства можно проверить его работоспособность, зарядив аккумулятор и проверив его параметры. Например, можно измерить его емкость, напряжение и время зарядки. Если зарядка проходит успешно, и аккумулятор действительно заряжается до нужного уровня, то устройство работает эффективно.
Видео:
Эта интересная схема работает! Автомат отключения зарядного или Защита. Своими руками!
Эта интересная схема работает! Автомат отключения зарядного или Защита. Своими руками! by altevaa TV 1 year ago 13 minutes, 28 seconds 23,189 views