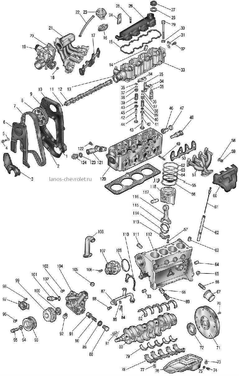
Полный гид по ремонту Шевроле Ланос своими руками: советы и инструкции

Шевроле Ланос — это надежный и популярный автомобиль, который в последние годы стал доступен для многих владельцев. Однако, любой автомобиль со временем требует ремонта и замены изношенных деталей. Если вы хотите сэкономить деньги на походе в сервисный центр или просто любите заниматься ремонтом своего авто, то этот гид для вас.
Мы собрали для вас полезные советы и инструкции по ремонту Шевроле Ланос своими руками. В статье вы найдете информацию о том, как и где искать неисправности, как заменять детали и как поддерживать ваш автомобиль в хорошем состоянии. Мы постарались сделать информацию максимально доступной и понятной, чтобы даже начинающим автомеханикам было легко разобраться в процессе ремонта.
Читайте наш гид и получите полезные знания по ремонту Шевроле Ланос своими руками, которые помогут вам экономить деньги и время. И помните, что самостоятельный ремонт автомобиля — это не только возможность сэкономить, но и увлекательное и полезное занятие, которое может пригодиться вам в будущем.
Почему нужно уметь ремонтировать Шевроле Ланос самостоятельно?
Владение автомобилем — это большая ответственность. Безусловно, неприятно, когда на дороге случается поломка. Но что делать, если у вас нет возможности быстро доехать до сервиса? Или если вам просто не хочется платить за ремонт механиков? Самостоятельный ремонт авто — это не только экономия времени и денег, но и полезный опыт, который может пригодиться в будущем.
Шевроле Ланос — один из самых популярных автомобилей на российском рынке. Он надежный, экономичный и прост в управлении, но, как и любой другой автомобиль, рассчитан на определенный срок службы. Ремонт Шевроле Ланос может быть довольно затратным в плане материальных ресурсов. Но если вы будете уметь производить ремонт своими руками, то можете значительно сэкономить на замене деталей и предотвратить ненужные затраты.
Кроме того, если у вас есть базовые знания о работе двигателя, тормозной системы и трансмиссии, то вы сможете контролировать качество работы механиков и избежать недобросовестного обслуживания вашего автомобиля.
- Экономия денег — самостоятельный ремонт автомобиля значительно экономит средства на услугах специалистов;
- Экономия времени — если вы умеете выполнять простейшие операции, то сможете быстрее и легче обслуживать машину;
- Приобретение полезных навыков — вы научитесь пользоваться инструментами, понимать работу двигателя и определять неисправности автомобиля;
- Контроль качества ремонта — если у вас есть знания в области автомеханики, то вы можете контролировать качество работы механиков и не допустить недобросовестного обслуживания;
- Повышение уверенности за рулем — знание технической стороны автомобиля поможет вам чувствовать себя увереннее в любой ситуации на дороге.
Экономия денег на ремонте
Ремонт автомобиля может оказаться достаточно дорогим удовольствием, особенно если вы обращаетесь к автосервису. Но это не значит, что вы должны выкладывать круглые суммы за каждый мелкий ремонт. Существуют способы сэкономить на ремонте своего Шевроле Ланос.
1. Умение самому выполнять простые работы
Некоторые работы на автомобиле Ланос можно выполнить самостоятельно, без обращения к механику. Например, замена лампочки или фильтра воздуха. Если вы обладаете определенными навыками и умением самостоятельно выполнять эти работы, то значительно сэкономите на стоимости работ.
2. Рассмотрение альтернативных запчастей
Покупка запчастей в официальном дилерском центре может оказаться очень дорогой. Однако, если вы обратите внимание на альтернативные запчасти, то можете существенно сэкономить на ремонте. Есть множество брендов, которые предлагают качественные запчасти для Ланоса, но стоят они значительно дешевле, чем оригинальные.
3. Периодические технические обслуживания
Не забывайте про периодические технические обслуживания автомобиля. Если вы будете следовать графику обслуживания, то вы дольше сможете пользоваться своим Ланосом, а значит, у вас будет больше времени для того, чтобы накопить деньги на ремонт.
4. Поиск мастера на частной основе
Если вы решили обратиться к специалисту, то обратите внимание на мастеров, которые работают на частной основе. Они обычно более гибко подходят к ценам и могут предложить вам лучшие условия.
5. Следите за состоянием автомобиля
Перед тем, как возникнут какие-то неполадки, следите за состоянием своего Шевроле Ланос. Например, если заметили, что из двигателя идет странный звук, сразу же обращайтесь к механику, чтобы не допустить серьезных повреждений, и таким образом, не нанести еще большей ущерб бюджету.
Соблюдая эти простые правила, вы сможете существенно сократить расходы на ремонт Шевроле Ланос и в дальнейшем производить его по более выгодным ценам.
Уверенность в качестве выполненной работы
Когда вы самостоятельно ремонтируете свой Шевроле Ланос, вы получаете не только удовольствие от выполненной работы, но и уверенность в ее качестве. Вы знаете, что каждая деталь заменена и настроена правильно, каждый шаг выполнен с учетом производителя и рекомендаций профессионалов.
Зная, что вы справились с ремонтом автомобиля, вы можете быть уверены в его работе и безопасности, которые являются самыми важными факторами при эксплуатации любого транспортного средства.
Кроме того, если у вас есть проблема с автомобилем в дальнейшем, вы сможете понять причину неисправности на более глубоком уровне и решить ее быстрее и эффективнее, если вы уже знакомы с техническими особенностями своего автомобиля.
- Самостоятельный ремонт дает вам:
- — уверенность в качестве выполненной работы;
- — знание технических особенностей своего автомобиля;
- — возможность решать проблемы быстрее и убедительнее.
Конечно, не всегда возможно самостоятельно решить сложные технические задачи, но даже если вы можете выполнить некоторые из них, это уже хорошо. Если у вас нет достаточного опыта или знаний, вы всегда можете обратиться к профессиональным механикам для консультации или выполнения определенных задач.
Подготовка к ремонту Шевроле Ланос
Перед началом ремонта Шевроле Ланос необходимо провести масштабную диагностику автомобиля. При этом необходимо проверить работу двигателя, трансмиссии, ходовой части и остальных систем и механизмов автомобиля. Стоит также ознакомиться с инструкцией по эксплуатации автомобиля и выявить возможные проблемы, описанные в ней.
Кроме того, необходимо подготовить все необходимые инструменты и запчасти для ремонта. Список инструментов обычно включает в себя ключи, отвертки, пинцеты, плоскогубцы, шуруповерты и другие инструменты. Определиться со списком запчастей можно, если консультироваться с профессионалом или с помощью специализированных ресурсов в интернете.
Также необходимо подготовить рабочую область для ремонта, которая должна быть чистой и сборной. Не стоит забывать про необходимость наличия достаточного количества света и продумать места для хранения инструментов и запчастей. При этом следует учитывать тот факт, что ремонт автомобиля может занять достаточно продолжительное время, а поэтому необходимо уделить внимание удобству и комфорту рабочего места.
Наконец, перед началом ремонта необходимо выявить возможную причину возникшей проблемы. Это может помочь в выборе правильного способа ремонта и, соответственно, избежать повторного возникновения данной проблемы в будущем.
Инструменты, необходимые для ремонта
Для ремонта Шевроле Ланос необходимо иметь набор основных инструментов. Перечень инструментов зависит от вида работ, которые необходимо выполнить.
Вот список основных инструментов, которые понадобятся:
- Ключи и гаечные ключи: обычно используются ключи с различными размерами головок, а также гаечные ключи для работы с гайками разного диаметра.
- Отвертки: потребуется набор отверток разной формы и размера.
- Тиски: для закрепления деталей во время ремонта.
- Молотки: молоток с различными насадками для работы с металлическими деталями.
- Набор пил: для обработки деталей из дерева.
Кроме основных инструментов, могут также понадобиться:
- Измерительные инструменты: линейка, угольник, микрометр, штангенциркуль и др.
- Электроинструменты: дрель, шлифовальная машина, электровышкиватель и др.
- Автоспециализированные инструменты: для некоторых работ будут необходимы специализированные инструменты.
Важно правильно выбрать инструменты и подготовить их заранее, чтобы можно было выполнять ремонт без задержек и непредвиденных проблем.
Подготовка автомобиля к ремонту
При начале ремонта автомобиля Шевроле Ланос необходимо провести определенные работы по подготовке машины к ремонту:
- Очистить автомобиль от грязи и пыли, особенно в местах, где планируется работать.
- Удалить все личные вещи и предметы из салона и багажника автомобиля.
- Отключить аккумуляторную батарею и вытащить ее из машины.
- Открыть капот и осмотреть моторный отсек, убедиться, что все детали и элементы находятся на своих местах и не протекают.
- Выполнить визуальный осмотр автомобиля, чтобы определить область повреждения и найденные проблемы.
Следует напомнить, что перед началом ремонта необходимо обратить внимание на безопасность и использовать соответствующие средства защиты.
Основные проблемы Шевроле Ланос и их ремонт
Шевроле Ланос относительно надежный автомобиль, но у него, как и у любых других, есть свои проблемы. Рассмотрим наиболее распространенные из них и способы их устранения.
- Проблемы с двигателем: Наиболее частая проблема Ланоса связана с двигателем. Он может начать глохнуть на холостых оборотах, снижаться мощность и т.д. Эти проблемы могут быть связаны с засоренным фильтром топлива, неисправными свечами зажигания, засоренным воздушным фильтром и т.д. Ремонт связанный с двигателем может быть достаточно сложным и требует опыта, если у вас нет опыта в этой области, то рекомендуется обратиться к специалистам.
- Проблемы с подвеской: Это одна из слабостей Ланоса. Часто бывают изношены передние амортизаторы и шаровые опоры. В случае необходимости их замены, рекомендуется использовать оригинальные запчасти.
- Проблемы с электрикой: Часто возникают проблемы с электрикой, как в самой панели, так и во внешнем освещении. Чтобы избежать неприятных сюрпризов, следует периодически проверять электрические компоненты на предмет их работоспособности и чистоты контактов.
- Проблемы со сцеплением: Высокая эксплуатационная нагрузка на клапан сцепления приводит к его износу и, как следствие, к проскальзыванию сцепления. Периодически нужно проверять его работоспособность и, при необходимости, менять.
Конечно, это не полный список проблем, с которыми может столкнуться владелец Шевроле Ланос. Но эти проблемы являются одними из наиболее распространенных и их устранение должно помочь продлить жизнь вашего автомобиля.
Проблемы с двигателем
Одной из основных проблем с двигателем Шевроле Ланос является его перегрев. Это может произойти из-за неисправности в системе охлаждения или обломке радиатора. Чтобы предотвратить эту проблему, необходимо регулярно проверять уровень охлаждающей жидкости и производить ее замену каждые 2-3 года.
Еще одна распространенная проблема — это неисправность головки блока цилиндров. Это может произойти из-за перегрева или износа прокладок. В таком случае, необходимо срочно заменить головку блока цилиндров и прокладки, иначе это может привести к серьезным повреждениям двигателя.
Кроме того, часто возникают проблемы с системой зажигания, которые проявляются в трудностях при запуске двигателя или беспричинных остановках. Это может быть связано с неисправностью свечей зажигания, катушек зажигания или датчика положения коленвала. Для решения этой проблемы, необходимо произвести диагностику и замену неисправных деталей.
Также стоит обращать внимание на состояние масла в двигателе. Если оно загрязнено или слишком старое, это может привести к различным неисправностям, таким как форсунки топлива, клапана или поршневые кольца. Рекомендуется менять масло и масляный фильтр каждые 5-7 тысяч километров или каждые 6 месяцев.
Проблемы с трансмиссией и подвеской
Трансмиссия
На Шевроле Ланос проблемы с трансмиссией могут проявляться в виде шумов, вибраций, скрипов и пропусков при переключении передач. Основными причинами неисправностей могут быть износ сцепления, выход из строя дроссельной заслонки и повреждение дифференциала. В таком случае ремонт требует серьезных затрат и умения. Рекомендуется обращаться к профессионалам.
Хорошей профилактикой выступает регулярная замена масла в коробке передач, которую необходимо проводить каждые 35-40 тысяч км пробега. Также нужно следить за состоянием карданной передачи и ее крепления.
- Признаки неисправности трансмиссии:
- шумы в моменте переключения передач;
- вибрация руля во время езды;
- неадекватное поведение автомобиля на скорости;
- значительное увеличение расхода топлива;
- отсутствие эффекта от ручного переключения передач.
Подвеска
Проблемы с подвеской на Шевроле Ланос могут быть связаны с поломкой амортизаторов, пружин или стабилизаторов. Если подвеска неисправна, автомобиль может иметь плохую управляемость на дороге и большой износ шин.
Очень важно проводить регулярную диагностику подвески и замену неисправных деталей своевременно. При необходимости замены амортизаторов и пружин, следует менять их на обеих сторонах автомобиля, чтобы сохранить симметричность ходовой части.
- Признаки неисправности подвески:
- убранство автомобиля;
- изменение угла наклона кузова;
- стуки и скрипы при езде на неровной дороге;
- проблемы с контролем автомобиля на дороге;
- износ резины на одной или нескольких шинах.
Проблемы с электрикой и электроникой

Электрика и электроника в Шевроле Ланос — это не самые проблемные составляющие автомобиля, но некоторые неисправности все же возникают, особенно при эксплуатации автомобиля на протяжении долгого времени. Ниже мы приведем несколько основных проблем в этой области и способы их решения своими руками.
Сбой в работе электроники или датчиков. Нередко бывает так, что один из датчиков или электронных устройств Шевроле Ланос не работает в полном объеме или отказывает полностью. В этом случае первым делом нужно провести диагностику с помощью сканера или мультиметра, чтобы определить точное место сбоя и причину его возникновения. После этого можно заняться ремонтом и заменой детали.
Проблемы с зарядкой аккумулятора. Если Шевроле Ланос не заводится или быстро разряжается аккумулятор, это может быть связано с неисправной генераторной установкой, сгоревшими предохранителями или проводкой. Для устранения проблемы нужно провести диагностику электропроводки, проверить генератор и аккумулятор. В некоторых случаях может потребоваться замена или ремонт генератора.
Неисправности сигнализации. Если сигнализация Шевроле Ланос не работает или включается сама по себе, это может быть связано с неисправностью в схеме управления, с пультом или с проводкой. Для решения проблемы необходимо провести проверку с помощью мультиметра, заменить неисправный элемент или перепаять провода в нужных местах.
Проблемы с электростеклоподъемниками. Если в одном или нескольких окнах Шевроле Ланос сломались электростеклоподъемники, это может быть связано с обрывом проводки, неисправностью моторчика или вышедшей из строя кнопкой. Для ремонта нужно сначала определить место неисправности, а затем заменить неисправную деталь или произвести ремонт.
Неисправности световых приборов. Если на Шевроле Ланос не работают один или несколько световых приборов, это может быть связано с перегоревшей лампочкой, обрывом проводки или неисправностью блока управления. Перед ликвидацией неисправности нужно провести диагностику с помощью тестера, затем заменить неисправные элементы или отремонтировать проводку.
Все перечисленные неисправности с электроникой Шевроле Ланос могут быть устранены своими руками, особенно если Вы имеете хорошие знания в области электрики и электроники автомобилей. Главное — не паниковать и проявлять терпение, чтобы правильно определить место неисправности и устранить ее без лишних затрат на сервисные услуги.
Как производить ремонт Шевроле Ланос
Шевроле Ланос — достаточно популярная модель автомобиля, которая уже несколько лет находится на рынке. Как и любой другой автомобиль, Ланос требует регулярного технического обслуживания и ремонта.
Основные этапы ремонта Шевроле Ланос:
- Диагностика – первый и самый важный этап в ремонте автомобиля. Необходимо провести комплексную диагностику для выявления всех проблем и неисправностей, которые нужно устранить.
- Замена деталей – в большинстве случаев для устранения проблем и повышения надежности автомобиля нужно заменить старые и изношенные детали на новые. Замена может быть произведена самостоятельно или обратиться в авто-сервис.
- Ремонт ходовой части – одна из наиболее важных составляющих автомобиля. Ходовая часть Шевроле Ланос могут быть подвержена износу и повреждениям, которые могут привести к авариям. Ремонт может включать замену амортизаторов, пружин и других элементов.
- Ремонт двигателя – двигатель является сердцем автомобиля, который нужно регулярно обслуживать и проводить ремонт в случае необходимости. Нужно выбрать квалифицированного мастера, который произведет диагностику и устранил проблему.
Вывод: Ремонт Шевроле Ланос может быть произведен как в авто-сервисе, так и самостоятельно, если есть минимальные навыки по ремонту автомобилей. Важно регулярно обслуживать автомобиль и устранять проблемы при первых признаках.
Этапы ремонта
Ремонт Шевроле Ланос можно рассмотреть в несколько этапов. Первым из них является определение неисправности. Необходимо произвести детальную диагностику и выявить причину поломки. В этом помогут специальные диагностические приборы и опытный автомеханик.
После определения проблемы, необходимо закупить запчасти. Не стоит экономить на качестве, ведь это может привести к новым поломкам и еще большим затратам на ремонт в будущем.
Следующим этапом является разборка автомобиля. Это может занять много времени и терпения. Необходимо быть аккуратным и не повредить соседние детали. В этом может помочь руководство или видеоинструкция по демонтажу.
После разборки, можно приступать к замене неисправных деталей. В процессе установки новых деталей, необходимо следить за их точным расположением и верно закрепить их на месте.
После замены всех неисправных деталей, можно начинать сборку автомобиля. Помните, что в процессе сборки необходимо тщательно проверить работоспособность всех систем и провести тест-драйв. В случае необходимости, можно производить дополнительные настройки и корректировки.
После успешной проверки и тест-драйва, можно закончить ремонт Шевроле Ланос и наслаждаться его безупречной работой.
Советы по правильному ремонту
1. Перед началом работы:
- Ознакомьтесь с инструкцией по эксплуатации автомобиля и руководством по ремонту конкретной модели Шевроле Ланос;
- Убедитесь в наличии всех необходимых инструментов и запчастей;
- При работе с электрооборудованием не забудьте отключить аккумулятор и снять ключ зажигания.
2. При разборке и сборке:
- Следуйте инструкции разборки и сборки деталей, чтобы не повредить их;
- Не применяйте усилие, если детали не даются. Попробуйте обратиться к людям, которые знают пути решения этой проблемы;
- Перед сборкой тщательно очистите детали и используйте рекомендованные смазки и жидкости;
- При сборке проверьте соединения на прочность и не забудьте затянуть все крепежные элементы.
3. При замене деталей:
- Используйте только качественные запчасти проверенных производителей;
- Не экономьте деньги на деталях, чтобы избежать повторной замены через короткое время;
- Проверьте, подходят ли запчасти к конкретной модели автомобиля, чтобы не возникли проблемы в будущем;
- Соблюдайте рекомендации по замене, чтобы не повредить другие детали автомобиля.
4. Дополнительные советы:
- Не занимайтесь ремонтом, если не уверены в своих навыках;
- При возникновении сложностей, обратитесь к специалистам;
- Следите за санитарными условиями, используя защитные средства при работе с химическими веществами;
- Не забывайте проводить периодический технический осмотр автомобиля, чтобы предотвратить возможные проблемы.
Некоторые важные советы, которые необходимо учитывать при ремонте Шевроле Ланос
1. Изучите руководство по эксплуатации автомобиля: перед тем, как приступить к ремонту, внимательно изучите руководство по эксплуатации вашего автомобиля. В нем вы найдете информацию о правильной эксплуатации и обслуживании автомобиля, а также о рекомендуемых интервалах замены и проверки различных деталей.
2. Не экономьте на запасных частях: при покупке запасных частей для Шевроле Ланос не стоит экономить на их качестве. Хорошие запчасти гарантируют более долгое и безопасное использование автомобиля, а также меньший риск повторного ремонта тех же деталей в ближайшее время.
3. Проверяйте целостность электрических систем: при покупке автомобиля обращайте внимание на состояние электрических систем. В случае замены деталей также необходимо проверить целостность электропроводки и правильность подключения. Некорректная работа электрических систем может привести к аварии.
4. Проводите диагностику систем: при ремонте Шевроле Ланос рекомендуется проводить диагностику всех систем автомобиля, включая двигатель, подвеску, тормозную систему и другие. Это позволит выявить проблемы в ранней стадии и предотвратить более серьезные поломки и аварии.
5. Соблюдайте правила безопасности: при проведении ремонта автомобиля соблюдайте правила безопасности. Не работайте под машиной, если у нее не установлены надежные опоры, используйте перчатки и защитные очки при работе с химикатами и токсичными материалами, не работайте с автомобилем, если находятся рядом дети или животные.
- Читайте правила безопасности и следуйте им;
- Изучите руководство по эксплуатации;
- Не экономьте на запасных частях;
- Проверяйте целостность электрических систем;
- Проводите диагностику систем.
Правильный выбор запчастей
Для проведения ремонта автомобиля Шевроле Ланос необходимо подобрать запчасти, которые соответствуют не только модели, но и качеству. Выбор качественных запчастей — залог безопасности при эксплуатации автомобиля.
Основные факторы, которые следует учитывать при подборе запчастей:
- Марка — выбирайте оригинальные запчасти от производителя вашего автомобиля. Они отличаются высоким качеством и совместимостью с Шевроле Ланос.
- Цена — не стоит скатываться на самую дешевую запчасть, так как это может привести к негативным последствиям. Лучше выбрать более дорогое, но проверенное качество.
- Надежность — старайтесь выбирать запчасти проверенных производителей и почитать отзывы других автомобилистов. Запчасти должны быть долговечными и надежными
- Гарантии — при оплате запчастей обращайте внимание на наличие гарантии. Это позволит в случае необходимости обменять или вернуть деталь.
Также не стоит забывать о том, что при выборе запчастей, необходимо получить консультацию у специалистов, которые смогут помочь определиться с выбором и подобрать необходимые запчасти, согласно требованиям производителя.
Важно заменять не только одну, но и все необходимые запчасти в комплексе. Это обеспечит длительный и беспроблемный период эксплуатации вашего автомобиля.
Следование инструкциям
Ремонт автомобиля своими руками — задача не из легких, но выполнимая. Этому способствует правильное следование инструкциям.
Первым шагом качественного ремонта является ознакомление с пошаговыми инструкциями. Необходимо внимательно прочитать все советы и рекомендации, которые представлены в материалах.
В случае возникновения трудностей, необходимо обратиться к опытным автомеханикам или специалистам по ремонту. Им можно задавать различные вопросы по поводу функциональности и приспособлений автомобиля.
Также, очень важен порядок выполнения работ. Необходимо выполнять работы в последовательности, которая указана в инструкциях. Не стоит перепрыгивать через какие-то этапы, это может негативно сказаться на результате ремонта.
Все это позволит получить качественный ремонт и избежать потери времени и денег на повторные работы.
Тщательный контроль за выполненной работой
Контроль – это важная часть любого ремонта. После того, как вы закончили работу, необходимо тщательно проверить ее качество.
Начните с проведения визуального осмотра. Проверьте каждую деталь, чтобы убедиться, что нет повреждений и они установлены в правильном положении. Тщательно проверьте, что все соединения надежно зафиксированы и закреплены.
Далее, проведите тестовый запуск. Запустите двигатель и убедитесь, что все системы работают нормально. Нажмите на педаль тормоза, чтобы проверить работу тормозных систем.
Проверьте все оборудование и инструменты. Убедитесь, что все инструменты и оборудования были вернуты на свое место и ничего не потеряно.
Наконец, проверьте свою работу еще раз, используя чек-лист. Следует создать список всех задач, которые нужно выполнить, и отметить, что было сделано и что осталось.
Тщательный контроль за выполненной работой гарантирует ее качество и безопасность в дальнейшей эксплуатации автомобиля.
Вопрос-ответ:
Какие инструменты понадобятся для ремонта Шевроле Ланос?
Для ремонта Шевроле Ланос потребуются: набор ключей, отверток, пассатижи, перчатки, электрическая дрель, мультиметр, шлифовальная машина, краска и т.д. В зависимости от того, какую работу вы собираетесь выполнить, инструменты могут быть различными.
Как часто необходимо производить техническое обслуживание Шевроле Ланос?
Рекомендуется производить техническое обслуживание Шевроле Ланос каждые 10 тысяч километров пробега или раз в год. Но, если вы заметили неисправность, то лучше обратиться к специалистам, чтобы избежать еще более серьезных проблем.
Можно ли заменить масло в двигателе Шевроле Ланос своими руками?
Да, замена масла в двигателе Шевроле Ланос может быть выполнена своими руками. Но перед этим необходимо ознакомиться с инструкцией по эксплуатации, чтобы не допустить ошибок. Также понадобятся специальные инструменты для слива старого масла и залива нового.
Какие виды технического обслуживания должны выполняться на сервисе?
На сервисе проводятся более сложные работы, которые лучше не делать самому. Например, замена цепи ГРМ, ремонтирование трансмиссии, диагностика электроники и т.д. Также на сервисе можно произвести более качественно техническое обслуживание, чем дома.
Какие особенности у Шевроле Ланос в сравнении с другими моделями машин?
Шевроле Ланос отличается от других автомобилей большей простотой конструкции и доступностью запчастей. Благодаря этому, ремонт и техническое обслуживание Ланоса могут быть выполнены своими руками даже без значительного опыта в автомобильном деле.
Что делать, если двигатель Шевроле Ланос заглох?
Если двигатель Шевроле Ланос заглох, то необходимо проверить блок предохранителей, убедиться, что бензобак не пуст, проверить свечи зажигания, может быть, нужна их замена. Если ничего не помогает, то лучше обратиться к специалистам.
Видео:
Небольшой видео урок. Как залатать днище на авто своими руками.
Небольшой видео урок. Как залатать днище на авто своими руками. by Garage For Friends 4 years ago 33 minutes 335,571 views